
Bei Astroaufnahmen mit meiner webcam, stellte ich bei hohen Vergrösserungen fest, daß der periodische Schneckenfehler meiner TAL2-Montierung nicht gerade klein ist (>50'') Es kann auch bessere Schnecken geben, meine ist ganz gewiss eine der schlechteren, da ich auch noch einen Hub von 0,18mm!! gemessen habe. So kam ich also zu dem Wunsch, die Geschwindigkeit des RA-Antrieb beeinflussen zu können, um das Objekt immer möglichst in der Mitte des Bildes zu halten. Jedes noch so feinfühlige Drehen an den RA-Handrädern, brachte das Objekt zum Schwingen, da die RA-Handräder gegen die Motorrutschkupplung gedreht werden müssen.
Während ich mir Gedanken zum EZB2 machte, kam mir noch die Idee mit den Tastern. So ausgestattet müßten mit einer gescheinerten TAL-Montierung schon Langzeitbelichtungen möglich sein. Der Gedanke führt inzwischen so weit, daß das EZB2 nur eine Zwischenstufe zur 2-Achssteuerung ist. Natürlich müßen die mechanischen Voraussetzungen dazu gegeben sein Aber zu diesem Thema wird hier auch noch berichtet - wenn es soweit ist. Die Handsteuerbox EZB2 die ich hier vorstelle, bietet die Basis für den Ausbau auf die 2-Achssteuerung. Deshalb sollten diejenigen, die interessiert am Ausbau der Handsteuerbox sind, möglichst an die Ausführung dieser Bauanleitung halten.
Meine erste Erprobung der Handsteuerbox fand am Abend des 1.1.2000 statt (sozusagen EZB2000). Die Sache läuft so gut, das bei einem Ausbau auf 2-Achssteuerung der Anschluss eines "autoguider" sehr wohl möglich sein sollte, auch dies ist berücksichtigt worden.
Eines muß ich allerdings gleich klarstellen, die Funktion der Handsteuerbox führt nicht dazu, das TAL computergesteuert in bester Meade-Manier mit heulenden Motoren von Objekt zu Objekt zu fahren. Die Handsteuerbox EZB2 und der spätere Ausbau dient dazu, feine Korrekturen (Nachführkorrektur) vornehmen zu können, ohne das Teleskop "anzufassen". Die Objekte werden immer noch in gewohnter Weise aufgesucht und eingestellt. Wer es dennoch computergesteuert nennen möchte, eine Nachführkamera bzw. Autoguider ist ja auch nichts anderes als ein kleiner Computer ;-)
Der quarzgesteuerte Frequenzwandler ist übrigens nicht sinnlos geworden, denn ohne den EZB1 läuft gar nichts. Ausserdem ist die Handsteuerbox für reine visuelle Beobachtung überflüssig, da reicht der Frequenzwandler völlig aus.
Allgemeines
Vielleicht erst einmal näheres zur Funktionalität der Handsteuerbox. Die Handsteuerbox wird angeschlossen, wenn bei Beobachtungen korrigiert werden muß, z.B. Langzeitbeobachtungen oder bei fotografischen Aufnahmen. Mit der Handsteuerbox kann das Teleskop nicht positioniert werden, das lässt nunmal die mechanische Ausführung der TAL-Moni nicht zu. Wer so etwas braucht, wird vom Übersee-Gadage-Markt bestens versorgt ;-)
Als Platine dient wie beim EZB1 eine Lochstreifenplatine jedoch mit
anderen Abmessungen 66x25 mm. Die Platine ist im Handgehäuse eingebaut
und kann über ein einzelnes, ca.2,5 m langes Kabel per Stecker an
das TAL-Motorgehäuse angeschlossen werden.
Nach dem Einstecken, wird die Schaltung der Handsteuerbox vom EZB1
mit Spannung versorgt. Mit einem Wechselschalter am TAL kann nun vom Quarzsignal
auf das Signal der Handsteuerbox umgeschaltet werden.
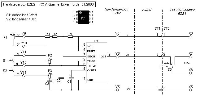
Die Schaltung (siehe Bild 1):
Als erstes fällt auf, daß die Handstuerbox ohne eigene Stromversorgung
auskommt. Die 5V kommen übers Kabel von den Lötpins X5 (+) und
X6(-) des Frequenzwandlers EZB1. Die Handsteuerbox wird also mit dem Einstecken
ins TAL eingeschaltet, gleichzeitig wird der Takt ans TAL geliefert. Am
TAL kann nun mittels dem Schalter S3 gewählt werden, ob der Takt für
die Endstufe des EZB1 vom Quarz oder von der Handsteuerbox kommen soll
.
Die Handsteuerbox mit den Funktionen für die RA-Geschwindigkeitsteuerung
ist nichts anderes wie der Taktteil des Frequenzwandlers, nur eben nicht
so stur wie der Quarz. Herzstück ist der Timer IC1 der als Taktgeber
geschaltet ist. Etwas Kopfzerbrechen machte mir die Mimik links in Schaltplan.
Die Frequenz zu verändern ist beim NE555 (IC1) per Poti keine Kunst.
Ich wollte mir die Möglichkeit jedoch nicht verbauen, später
einmal eine Nachführ-CCD anzuschliessen. Dafür sind potentialfreie
Kontakte als Schliesser notwendig, die später parallel zu den Tastern
geschaltet werden. Schliesslich gelang mit dieser Beschaltung ein sehr
zufriedenstellendes Ergebniss. Über Poti P1 kann die Frequenz zwischen
ca. 38 und 69 Hz stufenlos eingestellt werden. Die siderische Nachführfrequenz
ist 50Hz, das ist ungefähr die Mittelstellung des Potis. Bei Betätigung
von S1 wird die Frequenz bei 50Hz auf 60Hz geschaltet, solange der Taster
gedrückt wird. Bei Rechtsanschlag des Potis und gleichzeitiger Betätigung
von S1 wird eine Maximalfrequenz von ca. 90Hz erreicht. Umgekehr verhält
es sich mit der Betätigung des Tasters S2. Hier wird der Takt bei
50Hz auf 40Hz verringert. Bei Linksanschlag des Potis und Betätigung
von S2 , sind es nur noch 34 Hz. Bei etwa 35-36 Hz bleibt der Motor des
TAL allerdings stehen (jedenfalls mein Motor).
In der Praxis sieht das so aus: Mit dem Poti wird die Nachführgeschwindigkeit
auf das beobachtete Objekt eingestellt und mit den Tastern wird das Objekt
in der Mitte des Gesichtsfelds, bzw. bei Belichtungen im Fadenkreuz gehalten
( zumindest in RA).

Zuerst wird die Platine abgeschnitten. 10 Lochstreifen mit einer Länge von 25 Rastern werden benötigt. Die Platine ist so zu schneiden wie abgebildet, bzw. wie mit den schwarzen Strichen markiert ist. Die Platine wir nicht geschraubt, sonder in die Führungslaschen der Handbox gesteckt. Etwas Sorgfalt und Überprüfung an der Box erspart hier Ärger. Vorraussetzung ist natürlich, daß das Gehäuse von Reichelt verwendet wird, das ich in der Materialliste angebe. Wer noch ein anderes Gehäuse rumliegen hat, und dieses unbedingt verwenden will muß selbst die Masse und Befestigung, aber auch die Anordnung der anderen Einbauteile klären. Auf die Bearbeitung der Platine will ich hier nicht nochmal eingehen. Es gilt im Prinzip das Gleiche wie beim EZB1. Als Vorlage für die Bearbeitung der Lötseite dient Bild 2. Als Besonderheit sei hier noch erwähnt, das die Platine an einer Ecke einen Ausschnitt bekommt. Hier wird im eingebauten Zustand die Verkabelung durchgeführt.

2. Arbeitschritt - Drahtbrücken einlöten
Jetzt werden wieder die Drahtbrücken eingelötet. Achtung, auf der Rückseite, hinter dem IC wird auch eine kleine Draht- bzw. Lötzinn-Brücke benötigt. Anschliessend wird die Platine mit den vielen Lötnägeln bestückt. Die Anordnung dieser Bauteile sind Bild 3 zu entnehmen.

3. Arbeitschritt - Bauteile einlöten
Zuerst wird die Fassung für IC1 eingelötet. Als nächstes
werden am besten die Widerstande und die Kondensatoren eingelötet.
Dabei ist folgendes zu beachten: R2 sollte genau wie auf Bild 4 angeordnet
werden, also mit dem Draht in Richtung IC, um einen möglichen Kontakt
mit dem Stecker für Y9 zu vermeiden. C2 mußte ich in Bild 4
leider als einen Tantalkondensator darstellen, weil das Erstellungsprogramm
keine diagonal eingebauten MKS-Kondensatoren erlaubt. Also! C2 ist ein
MKS2-Kondensator!
Als letzte Bauteile werden die beiden Trimmer P2 und P3 eingelötet.
Im Prinzip ist die Platine jetzt fertig.
Wie gehabt: Bevor IC1 in die Fassung gesteckt wird sollten alle Bauteile
noch einmal sorgfältig auf ihre korrekte Plazierung gemäß
Bild 4 überprüft werden. Die Lötseite wird anschließend
sorgfältig überprüft. Am besten noch mal die Freiräume
zwischen den Leiterbahnen sauber kratzen. Dann noch mal mit einen Durchgangsprüfer/Ohmmeter
alle Leiterbahnen auf Kurzschlussfreiheit prüfen.

5. Arbeitschritt - Vorbereitung des Gehäuses
Es sind eigentlich nur ein paar Bohrungen vorzunehmen. Die Abmessungen
sind Bild 5 zu entnehmen, ich kann nur empfehlen die Maße einzuhalten,
sonst wirds später bei EZB3 eng.
Problem für die meisten wird sein, die 18mm Löcher für
die Taster zu bohren. Diese müßen ziemlich genau gearbeitet
sein, da die Taster eingesteckt bzw. eingerastet werden. Ich kann übrigens
sehr zu den in der Bauteilliste benannten Taster raten, die sind wirklich
sehr gut (und günstig). Falls man keinen 18mm Bohrer hat, sollte man
jemand aufsuchen, der einen hat oder sich einen leihen. Sehr zu empfehlen
ist so ein Holzbohrer mit dem Zentrierdorn vorne dran. Der schneidet bei
langsamer Drehzahl sehr sauber.
Das 13mm Loch für das Poti kann mit einem kleineren Bohrer vorgebohrt
und mit einer Rundfeile entsprechend aufgeweitet werden.
Für die Kabelzugentlastung ist ein U-Einschnitt in die Endplatte
der oberen Gehäusehälfte notwendig. Die untere Gehäusehälfte
wird nicht bearbeitet, die ist nur eine reine Abdeckung. Sollte jemand
irgendwelche Halterungen z.B. eine Schlaufe am Gehäuse befestigen
wollen, so bitte nur die Rückseite zur Befestigung verwenden, da die
Stirnseite gegenüber der Kabeleinführung noch für den autoguider-Anschluss
sowie für die "Spezialfunktion" benötigt wird.

6. Arbeitschritt - Einbau ins Gehäuse
Nachdem die obere Schale der Handsteuerbox mit den Bohrungen versehen
wurde, werden die beiden Taster von aussen eingesteckt und festgedrückt.
Die Antriebsachse des Poti P1 wird auf 5mm gekürzt. Anschliessend
wird das Poti wie auf Bild 6 dargestellt eingebaut, und der Knopf auf der
Achse befestigt. Vor dem Festschrauben des Kopfes muß noch der Ring
mit dem Zeiger unten in den Knopf eingesteckt werden. Der Deckel wird erst
nach Befestigung des Knopfes aufgesteckt.
Nun wird das Kabel um ca. 150mm abisoliert. Die Abschirmung wird ganz
abgeschnitten und die Kabelzugentlastung aufgeschoben. Nun wird die Kabelzugentlastung
im Gehäuse festgeschraubt, dabei muß man darauf achten, daß
die Zugentlasteung nicht nach oben aus dem U-förmigen Ausschnitt herausrutscht.
Wenn die untere Halbschale aufgesetzt ist kann dies nicht mehr passieren.
Nun wird die Platine in die unterste (Richtung Kabeleinführung)
Führungsnut eingesetzt. Der schwarze, lila und grüne Draht wird
durch den Ausschnitt der Platinenecke geführt, auf Länge (plus
Reserve) der anzuschliessenden Lötpins abgeschnitten und mit Lötsteckern
ausgestattet. Diese Lötstecker werden dann auf die Lötpins Y5,Y6
u.Y8 gesteckt. Alle übrigen Drähte werden zusammengebunden und
am Ende isoliert, dann in dem Raum hinter der Platine eingelegt. Diese
Drähte benötigt der eine oder andere noch, sobald das Selbstbauprojekt
EZB3 fertig ist, bedeutet: Steuerung einer motorisierten Deklinationsachse.
Nun werden werden die Taster und das Poti gemäß Schaltplan
Bild 1 verdrahtet. Die von mir gewählte Farbe sollte am besten eingehalten
werden, falls beim Inbetriebnahme oder später mal eine Störung
auftritt. Wenn man sich dann über email über z.B. den "grauen
Draht" unterhält, weiß ich oder andere was gemeint ist.
Wichtig ist die Anschlußbelegung des Potis, damit nachher der
Drehsinn für schneller oder langsamer stimmt. Die beiden Taster haben
einen gemeinsamen Anschluß (der grüne Draht). Beide Taster werden
deshalb mit einem Draht verbunden. Bild 7 zeigt die fertig aufgebaute/verdrahtete
Handsteuerbox. Im Prinzip kann jetzt die Handsteuerbox geschlossen werden,
für die Einstellung der Tasterwirkung, muß gegebenenfalls noch
mal an etwas an Trimmer P2 und P3 eingestellt werden. Beide Trimmer sollten
am besten zunächst einmal auf Mittelstellung eingestellt werden, im
Normalfall stimmt die Einstellung dann so, bei einer entsprechenden Toleranzeinwirkung,
besonders die der Kondensatoren, muß man hier ein eventuell ein wenig
ausprobieren.

Das Kabel der Handsteuerbox wird auf etwa 2,5 Meter Länge abgeschnitten. Diese Länge sollte in den meisten Fällen ausreichen, da die Handsteuerbox in erster Linie zu fotografischen Nachführen gedacht ist, und da steht man nun mal mit dem Auge an irgendeiner Optik im Bereich des TALs. Bei deutlich längeren Kabeln z.B. für Fernnachführen von einem Bildschim aus, im Warmen (was für Warmduscher ;-)), könnte es zu Störungen in der Signalübertragung kommen - bei Bedarf -> ausprobieren!
Das freie Kabelende wird ca. 5 cm abisoliert, Abschirmung abschneiden,
dann die Gummitülle und den hinteren Gehäuseteil (richtig rum!!)
auf das Kabel schieben. Jetzt werden alle Drähte auf etwa 2cm
abgeschnitten und am Ende um ca. 3mm vorsichtig abisoliert. Die Drahtlitzen
werden verdrillt und mit Lötzinn verzinnt. Am besten den Steckeranschlussteil
in irgendwas stabiles z.B. Klammerhalterung einspannen. Jeder der Lötzapfen
erhält ebenfalls eine sparsame Verzinnung mit Lötzinn. Nun werden
alle Drähte gemäß untenstehender Anschlußtabelle
angelötet. Anschliesend wird das hintere Gehäuseteil über
den Anschlussteil geschoben, die Gummitülle unter den Klemmteil geschoben
und das ganze festgezogen. Zum Schluß wird der Steckerführungblech
vorne aufgesteckt - Fertig ist die Handsteuerbox.
|
|
|
|
|
|
|
|
|
|
|
|
|
|
|
|
|
|
|
|
|
|
|
|
|
|
|
|
|
|
|
|
|
7. Arbeitschritt - TAL-Gehäuse vorbereiten.
Diese Arbeit wird den meisten schwerfallen, muss man doch der schönen Orginalmontierung mit Bohrer und Feile zu Leibe rücken, na ja, ganz orginal ist die ja auch nicht mehr, denken wir mal an EZB1. Und außerdem, meine ich hat diese ganze Geschichte hier eher einen wertsteigernden Charakter.
Für die folgenden Arbeiten sollte man zuerst die Deckel der TAL-Montierung entfernen und die Montierung mit der geöffneten Seite nach unten auf einen Tisch legen. Das ist jedenfalls dann wichtig, wenn gebohrt oder gefeilt wird, damit keine Späne in Getriebe, Lager oder Schneckenwelle fallen können. Das Gehäuse sollte auch nach diesen Arbeiten nicht mit Druckluft ausgeblasen werden, sonst könnten feine Metallteilchen dann doch dahin gelangen wo sie nicht hingehören. Am besten nach dem Bohren und Feilen, das Gehäuse mit einem Holzstück etwas abklopfen und dann ggf. restlichen Metallstaub nach unten mit einem Pinsel rausfegen. Aber keine Bange, es ist halb so schlimm wie es sich anhört, die richtig fiesen Teile fallen alle unten raus.
Die Ausschnitte für den Schalter 3 und die Gerätesteckdose werden am besten nach den Maßen auf Bild 8 vorgenommen. Für den Schalter S3 wird ein 12mm Loch gebort. Für die Steckdose werden zwei 3 - 4mm große Löcher (je nach Schraube) zur Befestigung gebohrt und ein Ausschnitt für den Anschlussteil. Für diesen Ausschnitt habe ich ringsherum mit einem 3mm Bohrer einen Öffnung ausgebohrt, dann alles mit einer kleinen Feile geglättet. Da es sich um ein Alu-Gehäuse handelt, lässt sich es sich sehr einfach bearbeiten. Zweimal bin ich aber mit der Feile abgerutsch, wie die Spuren auf dem Gehäuse zeigen ;-)

Nun wird der Gehäusestecker eingebaut und die drei Drähte
festgelötet (ich habe das im eingebauten Zustand gemacht). Hier empfiehlt
es sich auch wieder die gleichen Drahtfarben wie im Schaltplan Bild 1 oder
den anderen Bildern zu wählen.
Der Schalter S3 bekommt eine Drahtbrücke gemäß Bild
9 und wird dann ebenfalls eingeschraubt. Nun wird die Drahtbrücke
zwischen den Lötpins X7 und X8 auf er Platine des Frequenzwandlers
EZB1 abgezogen (ich gehe davon aus, daß ihr eine Steckerbrücke
verwendet habt). Dann wird entsprechend nach Schaltplan (Bild1) verkabelt.
Den fertigen Aufbau zeigen Bild 10 und Bild 11. Der Anschluß
der Drähte an dem Frequenzwandler erfolgt am besten per Federstecker,
dann braucht die Wandlerplatine erst gar nicht ausgebaut werden.



9. Arbeitschritt - Inbetriebnahme.
Wie immer, Kontrolle aller Verbindungen und auf die Richtigkeit der Verbindungen. Der Schalter S3 wird zunächst nach oben gelegt - also weg von der Steckverbindung der Handsteuerbox. Diese ist noch nicht eingesteckt. Jetzt wird die Stromversorgung angeschlossen und die Nachführung ganz normal mit dem quarzgesteuerten Frequenzwandler in Betrieb genommen. Sollte der Motor nicht laufen, so ist die Verkabelung, insbesondere die des Schalters S3 zu überprüfen. Probehalber den Schalter S3 mal nach unten schalten. Läuft der Motor jetzt, so ist der Schalter falsch angeschlossen. Ich empfehle ihn so anzuchliessen, das bei er bei Quarzbetrieb nach oben und bei Handsteuerbetrieb nach unten (in Richtung Stecker) zeigt. In diesem Fall hat man einen logischen Schaltrichtungssinn, im Dunklen kann man eine Beschriftung eh nicht ablesen. Läuft der Motor immer noch nicht, wurde ein anderer Fehler in der Verdrahtung gemacht.
Jetzt kommts! Die Handsteuerbox wurde ja vorher eingehend auf Richtigkeit aller Bauteile und Anschlüsse überprüft, die Leiterbahnen sind sauber und kurzschlußfrei. Besitzer eines Oszilloskops können ja vorher einen Probelauf ohne EZB1 machen. Im Prinzip kommt das gleiche raus, entweder die Schaltung funktioniert oder es wurde ein Fehler gemacht. Ich bitte um Verständnis wenn ich hier nicht im einzelnen aufführen kann, was alles falsch gemacht werden kann. In der Regel sind es ganz winzige Lötzinnspritzer zwischen zwei Kupferbahnen.
Also Stecker reingesteckt, Poti P1 etwa auf Mittelstellung und umschalten.
Es kann sein, das der Motor sich ganz kurz, für den Bruchteil einer
Sekunde verhaspelt, um sich auf das neue Signal zu synchronisieren. Auch
die Frequenz kann sich leicht hörbar verändern, je nach Stellung
des Potis P1. Jetzt drehen wir das Poti abwechselnd nach rechts und nach
links, dabei muß sich das Geräusch des Motors hörbar in
der Frequenz ändern. Poti links herum soll die Frequenz niedriger
werden (langsamer) und rechts herum soll die Frequenz höher werden
(schneller). Nun wird das Poti wieder etwa in Mittelstellung gebracht.
Durch hin- und herschalten zwischen EZB1 und EZB2 kann nach Gehör
etwa die richtige Stellung des Potis festgestellt werden. Diese kann mit
einem wasserfesten Faserschreiber o.ä. am Potiknopf markiert werden.
Die Feineinstellung erfolgt während der Beobachtung. Je nach Temperatur
kann sich dieser Punkt geringfügig ändern, da der Temperaturgang
der RC-Beschaltung des EZB2 nicht so stabil ist wie der des Quarzes vom
EZB1.
Jetzt werden die Taster betätigt, bei Betätigung des rechten
Tasters S1 soll sich die Drehzahl (gemäß Drehsinn des Potis)
erhöhen. Bei Betätigung des linken Tasters S2 soll sich der Motor
langsamer drehen. Bei Betätigen beider Taster hebt sich die Abweichung
in etwa auf, macht aber nichts, bzw keinen Sinn. Es kann sein, das einige
Motoren bei Poti im Linksanschlag und Betätigen von Taster S2 stehenbleiben,
da die unterste Grenzfrequenz für den TAL-Motor etwa bei 36Hz liegt.
Diese Kombination entspricht aber nicht der Anwendung in der Praxis.
Wer mit den Drehzahldifferenzen bei der Betätigung der Tasten nicht zufrieden ist, kann an den Trimmern P2 und P3 die Diifferenzen in einem Bereich von etwa 5-15 Hz verändern. Am besten man stellt P2 (auf Bild 12 rechts) so ein, daß die Mittelstellung von Poti P1 etwa der Frequenz von 50Hz, also der des Quarzes entspricht. Beim Verstellen von P2 wird auch die Grundstellung von P1 beeinflusst. Steht P1 etwa auf Mittelstellung, und die Frequenz entspricht etwa der der Quarzfrequenz, dann haben wir bei Betätigen von Taster S1 einen Sprung um 10 Hz auf 60Hz. So ist die Schaltung ausgelegt. Mit dem Trimmer P3 (auf Bild 12 links) wird dann der ein Sprung von 10Hz auf 50Hz eingestellt. Das Verstellen von P3 beeinflusst die Stellung von P1 nicht. Wer kein Oszilloskop hat muß halt nach Gefühl einstellen. Die beste Einstellung habe ich erreicht, wenn beide Trimmer ( aus Sicht von Bild 12) mit dem Pfeilzeiger auf "7Uhr" zeigen.

10. Bauteilliste:
|
|
|
|
|
| IC1 | NE555 | NE 555 DIP | 0,33 |
| P1 | 470k | P6M-LIN 470K | 0,76 |
| P2 | 470k | PT 10-S 470K | 0,18 |
| P3 | 1M | PT 10-S 1,0M | 0,18 |
| C1 | Tantal, 0,1µ | TANTAL 0,1/35 | 0,16 |
| C2 | MKS2, 15n | MKS-2 15N | 0,15 |
| C3 | FKS2, 4,7n | FKS-2 4,7N | 0,11 |
| R1 | 10k | 1/4W 10K | je 0,07 (mind. 10Stk) |
| R2 | 470k | 1/4W 470K | je 0,07 (mind. 10Stk) |
| R3 | 100k | 1/4W 100K | je 0,07 (mind. 10Stk) |
| Streifenrasterplatine | - | H25SR075 | 1,10 |
| Gehäuse (hellgrau)* | 123x70x29mm | SD 10 GRAU | 1,60 |
| Zugentlastung | - | KAZU 1 | 0,74 |
| ST1 | Centr.Stecker | SE 5714M | 1,94 |
| ST2 | Centr.Buchse | SE 5714F | 1,08 |
| (1) | Potiknopf | KNOPF-20-SCHW. | 1,25 |
| (1) | Knopfdeckel | DECKEL-20-GRAU | 0,20 |
| (1) | Knopfzeiger | PFEIL-20-SCHW. | 0,16 |
| S1 / S2 | Taster | MS 131 ROT | je 1,40 |
| S3 | Schalter | KS 6 | 1,55 |
| (5m) | Kabel | LIYCY 10-5 | 5,17 |
| Y5 - Y13 | Lötnägel | RTM 1-100 | 1,90 (100Stk.) |
| - | Federstecker | RF 1-100 | 4,27 (100Stk.) |
| ca.15cm | Silberdraht 0,8mm | SILBER 0,8MM | 2,54 (7m Rolle) |
| (1) | IC-Fassung | GS 8 | 0,06 |
Ich habe mal alle Teile der Vollständigkeit halber aufgelistet, natürlich wird er eine oder andere ein Stück Draht rumliegen haben, eventuell haben einige noch Lötnägel und Federstecker vom EZB1 übrig. Auch Widerstände kann man soviel ich weiß erst ab 10 Stück kaufen. Der Rest Platine vom EZB1 reicht leider nicht, es bleibt leider auch ein großes Stück Verschnitt von der angegebenen Platine übrig. Die kleinere Ausführung (50mm) geht leider nicht, da die Kupferbahnen quer, also ca. 68mm, verlaufen müssen. Mein Tip: Rest aufheben für EZB3 ;-)
Eine andere Sache, das von mir vorgeschlagene Kabel könnte ein Tick flexibler sein. Wenn also jemand ein hochflexibles Kabel hat, sollte er dieses ruhig verwenden. Es sollte aber mindestens 0,14mm Aderstärke und 10 Adern haben. Ein weitere Möglichkeit ist, das ungeschirmte Kabel (Bestellnr. LIYY 1014-5) zu verwenden. Und nochmal, nicht die ganzen 5m verwenden, wer will kann natürlich versuchen, bis zu welcher Kabellänge ein störungsfreier Betrieb möglich ist.
Die Stecker, die ich verwendet habe, kennen die meisten von Druckern. Es ist die bekannte Centronics-Steckverbindung. Hier allerdings die kleinste, die 14-polige Ausführung. Ich kann nur wärmstens empfehlen diese Steckverbindung zu verwenden. Diese Steckverbindung ist sehr schnell, ohne lästiges Schrauben veriegelbar. Ein Teil der restlichen Kontakte, wird später für für EZB3 und eventuell für eine nette Zusatzfunktion (die ich noch nicht verrate ;-)) benötigt.
Viel Erfolg beim Nachbauen.